desta@desta.sk
0948 88 55 01
Slovenský jazykNemecký jazykAnglický jazy
Fulltextové vyhladávanie
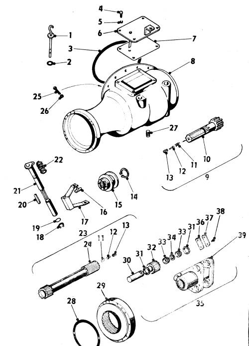
Hnacia náprava AV16-20A 1
Pozícia
Názov
Kat. číslo
Množstvo podľa modelu
Norma
 
30 
 
 
31 
 
 
Podložka
32 
 
 
Ozubené koleso
33 
33461 
ČSN 02 4683
 
Ložisko K 28x33x13
34 
 
 
Krúžok
35 
 
 
Unášač satelitov kompl.
36 
 
 
Príložka
37 
 
 
Príložka
38 
30418 
ČSN 02 1103.20
 
Skrutka M 6x16
39 
 
 
Unášač satelitov
Počet nájdených: 40 (Zobrazené 31 až 40)
Náhradné diely