desta@desta.sk
0948 88 55 01
Slovenský jazykNemecký jazykAnglický jazy
Fulltextové vyhladávanie
Hnacia náprava 2
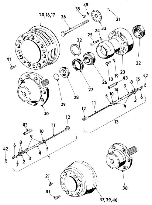
Zobrazenie náhradných dielov
Pozícia
Názov
Kat. číslo
Množstvo podľa modelu
Norma
 
01 
2-08076-02 
 
Bowden pravý kompl.
01 
2-08076-00 
 
Bowden pravý kompl.
02 
 
ČSN 02 1702.15
 
Podložka 13
03 
4-00485-09 
 
Šroub
04 
B.V. 07379-26 
 
Hadice 5x9,6 - 1065
05 
 
ČSN 02 9281.2
 
Kroužek 10x2
06 
4-05958-12 
 
Koncovka
07 
B.V. 05878-03 
4-1385
 
Lano
07 
B.V. 05878-01 
4-1415
 
Lano
08 
 
ČSN 02 1403.25
 
Matice M 12
09 
4-05956-00 
 
Koncovka
10 
4-05958-13 
 
Koncovka
11 
4-04502-16 
 
Pružina
11 
4-04502-02 
 
Pružina
12 
4-05575-00 
 
Koncovka
13 
2-08076-01 
 
Bowden levý kompl.
13 
2-08075-99 
 
Bowden levý kompl.
14 
B.V. 07379-39 
 
Hadice 5x9,6-390
14 
B.V. 07379-38 
 
Hadice 5x9,6-405
15 
B.V. 05878-07 
4-710
 
Lano
15 
B.V. 05878-06 
4-755
 
Lano
17 
 
tab. 2.3
 
Ústrojí bubnové brzdy pravé 315x60
18 
 
ČSN 02 1143.50
 
Šroub M 16x30
19 
 
ČSN 02 1740.01
 
Podložka 16
20 
1-05019-06 
 
Brzdový buben
21 
 
ČSN 02 1151.20
 
Šroub M 10x25
22 
 
ČSN 02 4720
 
Ložisko 32 014 X
23 
2-04130-08 
 
Příruba
23 
2-04130-07 
 
Příruba
24 
 
ČSN 02 1740.01
 
Podložka 12
Počet nájdených: 56 (Zobrazené 1 až 30)