desta@desta.sk
0948 88 55 01
Slovenský jazykNemecký jazykAnglický jazy
Fulltextové vyhladávanie
DESTA AP 16-20 B
Zobrazenie náhradných dielov
Pozícia
Názov
Kat. číslo
Množstvo podľa modelu
Norma
 
00 
BV-48600-01 
 
Bočnice (montáž)
00 
BV-48600-04 
 
Bočnice (montáž)
00 
BV-48600-05 
 
Bočnice (montáž)
00 
BV-48600-00 
 
Bočnice (montáž)
00 
BV-48602-00 
 
Bočnice (montáž)
00 
BV-48602-01 
 
Bočnice (montáž)
00 
BV-48602-04 
 
Bočnice (montáž)
00 
BV-48602-05 
 
Bočnice (montáž)
00 
4-09810-16 
NH 1701/2153
 
Brzdový okruh kompl.
00 
4-39810-07 * 
NH+NŘ 1701/2153
 
Brzdový okruh kompl.
00 
3-48645-03 
4 satelity
 
Diferenciál kompl.
00 
3-08645-08 (4-1522-500) 
2 satelity
 
Diferenciál kompl.
00 
3-48645-00 
2 satelity
 
Diferenciál kompl.
00 
3-09386-09 
80V/275A
 
Doska regulácia
00 
3-09386-10 
48V/350A
 
Doska regulácia
00 
5-49386-00 
48V/450A
 
Doska regulácia
00 
5-49386-01 
s cizím buzením
 
Doska regulácia
00 
 
TZ 3655.9304
 
00 
 
TZ 3655.9303
 
00 
 
80 V - 4,5 kW
 
00 
 
48 V - 4,5 kW
 
00 
 
48 V - 4,5 kW
 
00 
 
80 V - 6,5 kW
 
00 
 
80 V - 5 kW
 
00 
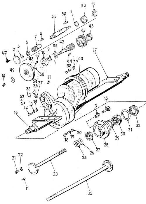
5-08420-86 
 
Hnacia náprava
00 
5-08420-83,84,85 
 
Hnacia náprava
00 
0-08420-80 
 
Hnacia náprava
00 
0-38420-13 
M 14
 
Hnacia náprava
00 
0-08420-69 
M 18
 
Hnacia náprava
00 
4-09845-07 
48 V
 
Hydraulický okruh
Počet nájdených: 997 (Zobrazené 1 až 30)