desta@desta.sk
0948 88 55 01
Slovenský jazykNemecký jazykAnglický jazy
Fulltextové vyhladávanie
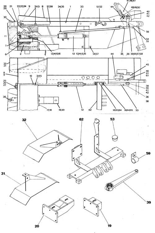
Podvozok
Zobrazenie náhradných dielov
Pozícia
Názov
Kat. číslo
Množstvo podľa modelu
Norma
 
00 
 
ČSN 02 1401.25
 
Matice M 8
00 
 
ČSN 02 1401.25
 
Matice M 8
00 
 
ČSN 02 1740.01
 
Podložka 8
00 
 
ČSN 02 1740.01
 
Podložka 8
00 
0-08680-07 
 
Podvozek kompl.
00 
 
ČSN 02 1103.25
 
Šroub M 8x20
00 
 
ČSN 02 1103.25
 
Šroub M 8x20
01 
0-08300-07 
 
Rám
02 
0-05240-09 
 
Konsola
03 
 
ČSN 02 1101.25
 
Šroub BM 20x70
04 
 
ČSN 02 1740.01
 
Podložka 20
05 
 
ČSN 02 1401.25
 
Matice M 20
06 
0-08540-09 
 
Řídící náprava
07 
4-03198-03 
 
Čep PR60x310
08 
1-08325-05 
 
Postranice levá
09 
1-08325-07 
 
Postranice pravá
10 
 
ČSN 02 2150.1
 
Kolík 14x40
11 
1-05228-04/CZ 
 
Protizávaží
12 
2-08905-09 
 
Válec servořízení
13 
4-4207-00 
 
Těsnění
14 
4-03150-00 
 
Čep PR. 15
15 
 
ČSN 02 1781.05
 
Závlačka 4x25
16 
 
ČSN 02 1702.15
 
Podložka 15
17 
 
ČSN 02 1103.25
 
Šroub M 16x65
18 
 
ČSN 02 1740.01
 
Podložka 16
20 
3-08050-52 
 
Konzola
21 
4-02001-36 
 
Pouzdro
22 
 
ČSN 02 1301.02
 
Šroub M 30x220
24 
 
ČSN 02 1401.25
 
Matice M 30
25 
 
ČSN 02 1101.25
 
Šroub M 20x90
Počet nájdených: 68 (Zobrazené 1 až 30)