desta@desta.sk
0948 88 55 01
Slovenský jazykNemecký jazykAnglický jazy
Fulltextové vyhladávanie
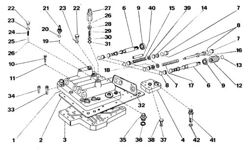
Rozvádzač
Zobrazenie náhradných dielov
Pozícia
Názov
Kat. číslo
Množstvo podľa modelu
Norma
 
00 
 
ČSN 02 1740.01
 
Podložka 6
00 
 
ČSN 02 1702.15
 
Podložka 8,4
00 
1-08820-02 
 
Rozvaděč kompl.
00 
 
ČSN 02 1143.55
 
Šroub M 6x10
00 
 
ČSN 02 1143.55
 
Šroub M 6x30
00 
 
ČSN 02 1143.55
 
Šroub M 6x30
00 
 
ČSN 02 1103.25
 
Šroub M 8x16
00 
 
ČSN 02 1143.55
 
Šroub M 8x30
00 
4-01271-00 
 
Vidlice
01 
1-05100-03 
 
Těleso rozvaděče
02 
1-06716-02 
 
Deska
03 
1-01671-00 
 
Víko
04 
3-01672-01 
 
Víko
06 
4-06122-07 
 
Šoupátko
07 
4-06131-00 
 
Zátka
08 
 
ČSN 02 9280.2
 
Kroužek 16x12
09 
 
ČSN 02 9401.0
 
Gufero 16x28x7
10 
4-00100-01 
 
Šroub
11 
 
ČSN 02 1740.01
 
Podložka 6
12 
4-07445-01/9, 34276 
 
Manžeta
13 
 
ČSN 02 292512
 
Pojistný kroužek 12
14 
4-06126-00 
 
Šoupátko
15 
4-04500-20 
 
Pružina
16 
4-06124-02 
 
Šoupátko
17 
4-04500-19 
 
Pružina
18 
4-02000-01 
 
Pouzdro
19 
4-03041-18 
 
Kolík
20 
 
ČSN 02 9310.2
 
Těsnící kroužek 14x18
21 
09-9430-58 
 
Tlačítkový spínač
22 
 
ČSN 13 7964.1
 
Zátka
Počet nájdených: 50 (Zobrazené 1 až 30)